• 网站首页
  • 公司简介
  • 产品展示
  • 产品目录
  • 企业动态
  • 联系我们
  • 电子邮局

产品展示

  • 电动润滑泵
  • 手(脚)动润滑泵
  • 加油泵
  • 双线分配器
  • 单线分配器
  • 换向阀、操纵阀及其附件
  • 稀油润滑装置及稀油站
  • 稀油润滑元件
  • 管件部分
  • 油气润滑元件

联系方式

电话:0513-83325673 传真:0513-83119878 手机:13862978163 地址:江苏省启东市汇龙镇中央河中路691号E-mail:13862978163@126.com
 
XHZ型稀油润滑装置 (0.5MPa)
 
<< 上一页 下一页   
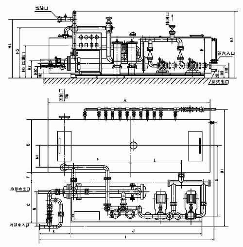
XHZ-6.3~XHZ-125型外形尺寸
型号
A
A1
A2
A3
A4
A5
B
B1
B2
B3
B4
B5
XHZ-6.3
1100
1640
410
70
70
350
700
980
110
235
190
90
XHZ-10
XHZ-16
1400
1935
400
80
0
420
850
1250
140
200
0
112
XHZ-25
XHZ-40
1800
2400
380
100
350
490
1200
1610
150
300
200
130
XHZ-63
XHZ-100
2400
2980
350
100
100
680
1400
1800
150
450
200
130
XHZ-125
 
型号
B6
B7
B8
H1
H2
H3
H4
H5
H6
H7
H8
H9
XHZ-6.3
150
80
430
590
1240
715
49*0
230
270
220
290
510
XHZ-10
XHZ-16
125
200
495
650
1300
800
550
250
270
290
360
683
XHZ-25
XHZ-40
160
200
600
890
1540
1060
780
280
400
395
380
775
XHZ-63
XHZ-100
100
70
495
1040
1690
1330
920
380
400
370
610
980
XHZ-125
1、回油口法兰连接尺寸按JB/T81《凸面板式平焊接钢制管法兰》(PN=1MPa)的规定。
2、上列稀油润滑装置均无地脚螺栓孔。
 
图1-2-3 XHZ-160~XHZ-500 型外形图
六、外形尺寸
型号
A
B
B1
C
E
F
G
H
H1
H2
H3
H4
H5
XHZ-160
3840
1700
3870
2250
1150
1900
1300
1440
390
140
1950
1688
1400
XHZ-200
1860
XHZ-250
5200
1800
4463
2575
1875
2325
1500
1350
410
160
2200
1960
1650
XHZ-315
XHZ-400
6100
2000
4665
2800
2250
2770
1600
1600
430
180
2900
2340
2000
XHZ-500
 
型号
H6
H7
H8
H9
H10
J
K
L
N
N1
P
DN
XHZ-160
1250
622
818
400
422
4200
700
4900
1150
600
500
125
XHZ-200
XHZ-250
1220
610
838
440
375
4500
760
5750
1400
650
500
150
XHZ-315
XHZ-400
1400
737
858
480
502
5000
1200
6640
1325
750
500
200
XHZ-500
 
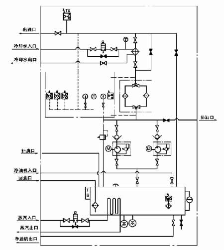
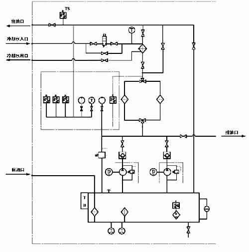
图1-2-4 XHZ-160~XHZ-500 原理图
图1-2-5 XHZ-160~XHZ-500 地基尺寸图
 
 
<< 上一页 下一页   
   
网站首页 公司简介 产品展示 产品目录 企业动态 联系方式
电话:0513-83325673 传真:0513-83119878  手机:13862978163       
地址:江苏省启东市汇龙镇中央河中路691号 邮编:226200  E-mail:13862978163@126.com 
版权所有:南通沃尔驰石化工程有限公司