• 网站首页
  • 公司简介
  • 产品展示
  • 产品目录
  • 企业动态
  • 联系我们
  • 电子邮局

产品展示

  • 电动润滑泵
  • 手(脚)动润滑泵
  • 加油泵
  • 双线分配器
  • 单线分配器
  • 换向阀、操纵阀及其附件
  • 稀油润滑装置及稀油站
  • 稀油润滑元件
  • 管件部分
  • 油气润滑元件

联系方式

电话:0513-83325673 传真:0513-83119878 手机:13862978163 地址:江苏省启东市汇龙镇中央河中路691号E-mail:13862978163@126.com
 
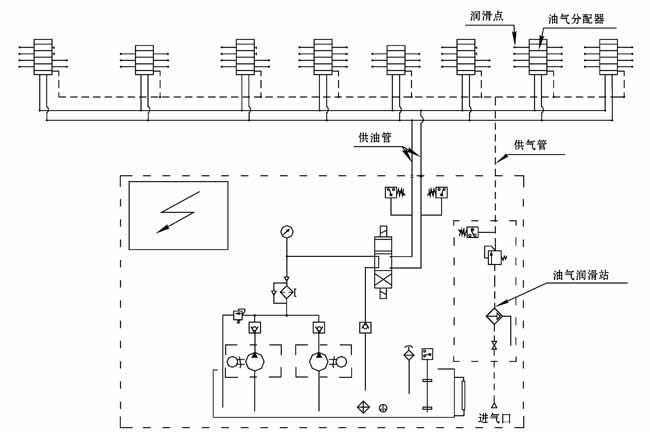
双线式油气润滑系统
一、系统组成及应用范围
  双线式油气润滑系统,主要由双线油-气供应站(自带压缩空气处理单元和PLC电气控制箱)、双线油气分配混合器以及系统连接的管路和附件等组成。适用于大量润滑点的场合。
二、系统原理图
三、工作原理
  如上图所示,油-气供应站设有两根供油主管和一根供气主管,所有的双线式油气分配混合器的进油口和进气口分别并接在供油主管和供气主管上。在系统工作时,供气主管内压缩空气常通,站上的高压油泵按设定的周期定时向系统的两条主管路供油(两根供油主管交替供油,一根供油另一根通油箱卸荷),压力油推动分配器的活塞动作(详见分配器工作原理),各活塞供送出的润滑油在出口与压缩空气混合,并在压缩空气的带动下通过连接管路送到润滑点。
四、系统特征
  1、设置有油-气供应主站,油箱容积≥500L,供气管径≥DN20;
  2、设置有压缩空气处理装置,可对供向系统所有油气分配混合器的压缩空气进行预处理;
  3、设置有PLC电气控制箱,可对系统的运行工况实行程序化全自动控制;
  4、双线油气分配混合器内有运动件和密封件,不适宜长时间在有高温辐射工况区域安装使用,给油动作无监控,不给油不易发现;若每点配设电气信号监控,则电气系统复杂,投资大;
  5、此系统扩展性不受限制,可以随时增减润滑点数;
  6、双线油气分配混合器,采用模块式组合设计,现场油量变化调整及故障处理方便2简单、快速。
网站首页 公司简介 产品展示 产品目录 企业动态 联系方式
电话:0513-83325673 传真:0513-83119878  手机:13862978163       
地址:江苏省启东市汇龙镇中央河中路691号 邮编:226200  E-mail:13862978163@126.com 
版权所有:南通沃尔驰石化工程有限公司