• 网站首页
  • 公司简介
  • 产品展示
  • 产品目录
  • 企业动态
  • 联系我们
  • 电子邮局

产品展示

  • 电动润滑泵
  • 手(脚)动润滑泵
  • 加油泵
  • 双线分配器
  • 单线分配器
  • 换向阀、操纵阀及其附件
  • 稀油润滑装置及稀油站
  • 稀油润滑元件
  • 管件部分
  • 油气润滑元件

联系方式

电话:0513-83325673 传真:0513-83119878 手机:13862978163 地址:江苏省启东市汇龙镇中央河中路691号E-mail:13862978163@126.com
 
YQWXZ-G型油气卫星站
一、结构特点及应用范围
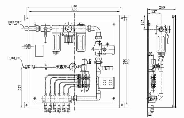
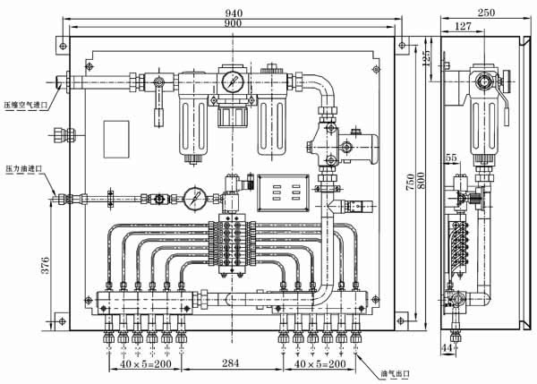
  YQWXZ-G型油气卫星站,是集润滑油液定量分配、压缩空气处理、油-气混合于一体的集成化产品,全部元件均集成安装在一防护箱内,适用于不同工况条件下的单线-多区式大型油气润滑系统中。
二、技术参数
型号
公称油压
公称气压
适用电压
总功率
YQWXZ-G*-*/*
10MPa
0.4-0.6MPa
DC24V
80W
三、外形图
2~6出口油气卫星站外形图
7~12出口油气卫星站外形图
四、型号说明
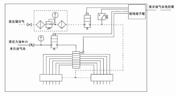
五、原理图
六、功能说明
  油气卫星站由二位二通电动止回阀、KM型单线油分配器、气动三联件、二位二通气动电磁阀、油气混合器以及各种连接件等组成。润滑油供应站供送过来的压力油,经二位二通电动止回阀、KM型单线油分配器定量分配,分配出的若干份油分别送至各口的油气混合器进行油气充分混合,而后分别向后级的油气分流器进行再分流或直接供向润滑点。卫星站的工作控制接受油气润滑系统的主PLC电气控制箱控制。
七、使用要领
  1、油气卫星站应安装在灰尘少、振动小、受高温辐射热影响小,且便于调整、检查方便的地方。
  2、油气卫星站的进气接口必须与工厂压缩空气(允许使用氮气)供气管线相连,决不允许使用其它介质的气体,以免发生安全事故。
  3、正常工作使用期内,应定期给气动三联件的储水杯进行排水。
网站首页 公司简介 产品展示 产品目录 企业动态 联系方式
电话:0513-83325673 传真:0513-83119878  手机:13862978163       
地址:江苏省启东市汇龙镇中央河中路691号 邮编:226200  E-mail:13862978163@126.com 
版权所有:南通沃尔驰石化工程有限公司