• 网站首页
  • 公司简介
  • 产品展示
  • 产品目录
  • 企业动态
  • 联系我们
  • 电子邮局

产品展示

  • 电动润滑泵
  • 手(脚)动润滑泵
  • 加油泵
  • 双线分配器
  • 单线分配器
  • 换向阀、操纵阀及其附件
  • 稀油润滑装置及稀油站
  • 稀油润滑元件
  • 管件部分
  • 油气润滑元件

联系方式

电话:0513-83325673 传真:0513-83119878 手机:13862978163 地址:江苏省启东市汇龙镇中央河中路691号E-mail:13862978163@126.com
 
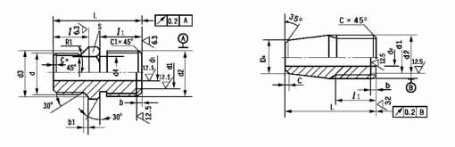
双向接头体、焊接接头体
锥密封钢丝(及棉线)编织胶管总成
双向接头体(JB/ZQ4430-86)、焊接接头体(JB/ZQ4431-86),材料均为35号钢
  标记示例:
    (a)公称通径DN为40mm的双向接头体:接头体40 JB/ZQ4430-86
    (b)公称通径DN为40mm的焊接接头体:接头体40 JB/ZQ4431-86
双向接头体、焊接接头体
双向接头体
焊接接头体
公称
通径
DN
do
d1
d2
b
d
d3
d4
l
L
b1
R1
C
S
重
量
kg
Do
L
C
重
量
kg
基本
尺寸
极限
偏差
l1
0-0.05
C1
6
4
11
+0.035
0
M16×1.5
12
1.4
1
M10×1
10.5
8.4
8
26
2
1
0.7
18
0.031
10
30
1.5
0.04
8
7
16
M22×1.5
13
1.8
1
M14×1.5
14.5
11.7
12
33
3
1.5
1
21
0.07
14
35
1.5
0.05
10
11
20
+0.045
0
M27×1.5
14
1.8
1
M18×1.5
18.5
15.7
12
35
3
1.5
1
27
0.09
18
38
1.5
0.08
15
13
24
M30×1.5
15
1.8
1
M22×1.5
22.5
19.7
14
38
3
1.5
1
30
0.13
22
40
1.5
0.10
20
17
30
M36×2
18
2.4
1.5
M27×2
27.5
24
16
44
3.5
2
1.5
36
0.26
28
45
2.5
0.12
25
22
35
+0.05
0
M42×2
22
2.4
1.5
M33×2
33.5
30
16
52
3.5
2
1.5
46
0.41
34
52
3
0.20
32
28
40
M52×2
22
2.4
1.5
M42×2
42.5
39
18
56
3.5
2
1.5
55
0.61
42
58
4
0.40
40
33
45
M60×2
26
2.4
1.5
M48×2
48.5
45
20
64
3.5
2
1.5
60
0.93
50
60
5
0.60
50
42
55
M68×2
28
2.4
1.5
M60×2
60.5
57
24
72
3.5
2
1.5
70
1.40
57
70
5
0.95
锥密封钢丝(及棉线)编织胶管总成JB/T(6142.1~.4)-92
  锥密封式胶管接头用于油、气、水为介质的钢丝编织胶管接头。介质温度:油-30~+80℃;空气-30~+50℃;水:+80℃以下。
标记示例:(a)公称通径DN6,L=1000mm,工作压力40MPa的锥密封Ⅲ层钢丝编织胶管总成:胶管总成6Ⅲ-1000
     (b)公称通径DN10,D=M22×1.5,L=1000mm,工作压力1.5MPa的锥密封棉线编织胶管总成:胶管总成10/M22×1.5-1000
名称
胶管
内径
d1
公称
通径
DN
工作压力
MPa
增强层外径(max)
扣压直径D1
do
D
S
lo
l
l1
l2
两端重量
kg
I
II
III
I
II
III
I
II
III
I
II
III
(a)
锥
密封
钢丝
编织
胶管
接头
5
4
21
37
45
10.1
11.7
13.5
15
16.7
18.5
2.5
M16×1.5
21
31
23
59
27
0.14
0.16
0.18
6.3
6
20
25
40
11.7
13.3
15.1
17
18.7
20.5
3.5
M18×1.5
21
41
29
71
35
0.20
0.22
0.24
8
8
17.5
30
33
13.3
14.9
16.7
19
20.7
22.5
5
M20×1.5
24
41
29
74
35
0.28
0.30
0.32
10
10
16
28
31
15.7
17.3
19.1
21
22.7
24.5
7
M22×1.5
27
41
29
75
35
0.34
0.36
0.38
12.5
10
14
25
27
19.1
20.7
22.5
25.2
28.0
29.5
8
M24×1.5
30
47
34
81
41
0.46
0.20
0.56
16
15
10.5
20
22
22.2
23.8
25.6
28.2
31
32.5
10
M30×2
36
47
34
81
41
0.60
0.34
0.68
19
20
9
16
18
26.2
27.8
29.6
31.2
34
35.58
13
M33×2
41
52
39
90
46
0.78
0.84
0.90
22
20
8
14
16
29.4
31.0
32.8
34.2
37
38.5
17
M36×2
41
52
39
91
46
1.10
1.12
1.14
25
25
7
13
15
33.0
34.8
36.6
38.2
40
41.5
19
M42×2
50
57
42
100
49
1.32
1.34
1.38
31.5
32
4.4
11
12
39.7
41.5
43.3
46.5
48
49.5
24
M45×2
55
64
48
107
56
1.64
1.66
1.68
38
40
3.5
9
-
46.1
47.9
-
52.5
54
-
30
M56×2
65
69
53
112
61
2.00
2.10
-
51
50
2.6
8
-
59.0
62.8
-
65.5
69.5
-
40
M68×2
80
69
53
120
61
3.90
4.00
-
名称
公称
通径
DN
胶管
内径
d1
胶管
外径
D2
工作
压力
MPa
扣压直径D1
do
D
S
lo
l
l1
l2
两端
重量
kg
(b)
锥
密
封
棉
线
编
织
胶
管
接
头
4
5±0.3
13
2
18.5
2.5
M16×1.5
21
31
23
59
27
0.18
6
6±0.3
15
2
20
3.5
M18×1.5
21
41
29
71
36
0.24
8
8±0.5
16
2
21
5
M20×1.5
24
41
29
74
35
0.28
10
10±0.8
19
1.5
24.5
7
M22×1.5
27
41
29
75
35
0.36
10
13±0.8
22
1.5
27
8
M24×1.5
30
47
34
81
41
0.46
15
16±0.8
26
1
31
10
M30×1.5
36
47
34
81
41
0.66
20
19±0.8
30
1
35.5
13
M33×2
41
52
39
90
46
0.84
20
22±0.8
33
1
38.5
17
M36×2
41
52
39
91
46
1.10
25
25±0.8
36
1
42.5
19
M42×2
50
57
42
100
49
1.38
32
32±1.2
43
1
49
24
M45×2
56
64
48
107
56
1.74
40
38±1.2
49
1
55.5
30
M56×2
65
69
53
112
61
2.10
50
51±1.2
63
1
70.5
40
M68×2
80
69
53
120
61
3.72
网站首页 公司简介 产品展示 产品目录 企业动态 联系方式
电话:0513-83325673 传真:0513-83119878  手机:13862978163       
地址:江苏省启东市汇龙镇中央河中路691号 邮编:226200  E-mail:13862978163@126.com 
版权所有:南通沃尔驰石化工程有限公司