• 网站首页
  • 公司简介
  • 产品展示
  • 产品目录
  • 企业动态
  • 联系我们
  • 电子邮局

产品展示

  • 电动润滑泵
  • 手(脚)动润滑泵
  • 加油泵
  • 双线分配器
  • 单线分配器
  • 换向阀、操纵阀及其附件
  • 稀油润滑装置及稀油站
  • 稀油润滑元件
  • 管件部分
  • 油气润滑元件

联系方式

电话:0513-83325673 传真:0513-83119878 手机:13862978163 地址:江苏省启东市汇龙镇中央河中路691号E-mail:13862978163@126.com
 
LQ系列列管式冷却器(1.0~1.6MPa)
一、使用条件
  与GLLQ型列管式冷却器相似,产品适用于冶金、矿山、轻工、电力、化工等工业部门的液压与润滑装置,将热工作油冷却到要求的温度;冷却器的设计最高温度为100℃~120℃,工作压力≤1.6MPa,传热系数为348~407w/m2.k,(若采用翅片管换热,则传热系数为523~580W/m2·k,但允许介质粘度为10~50cSt)。下面列出的LQ型冷却器则规定介质粘度为10~326cSt,主要技术参数如下表:
二、型号含义
三、技术参数
型号
2LQFW\2LQFL
2LQF1W
2LQGW
换热面积m2
0.5~16
19~290
0.22~11.45
传热系数w/m2.k
348~407
使用温度℃
≤100
≤120
工作介质压力MPa
≤1.6
≤1.0
≤1.6
冷却介质压力MPa
≤0.8
≤0.5
≤1.0
油侧压力降MPa
≤0.1
介质粘度cSt
10~326
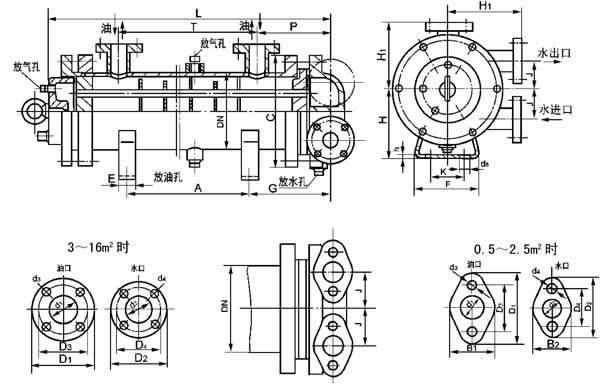
四、外形结构及尺寸
2LQFW 型冷却器外形尺寸图
冷却面积0.5~2.5m2时进出水口型式;
3~16m2时为上图
 
2LQFW 型冷却器外形尺寸
型号
A0.5F
A0.65F
A0.8F
A1.0F
A1.2F
A1.46F
A1.7F
A2.1F
A2.5F
A3.0F
A3.6F
A4.3F
A5.0F
A6.0F
A7.2F
A8.5F
A10F
A12F
A14F
A16F
换热面积m2
0.5
0.65
0.8
1.0
1.2
1.46
1.7
2.1
2.5
3.0
3.6
4.3
5.0
6.0
7.2
8.5
10
12
14
16
底
部
尺
寸
A
K
h
E
F
d5
345
90
5
40
140
11
470
90
5
40
140
11
595
90
5
40
140
11
440
104
5
45
160
11
565
104
5
45
160
14
690
104
5
45
160
14
460
120
5
50
180
14
610
120
5
50
180
14
760
120
5
50
180
14
540
140
5
55
210
14
665
140
5
55
210
14
815
140
5
55
210
14
540
170
5
60
250
14
690
170
5
60
250
14
865
170
5
60
250
14
575
230
6
65
320
18
700
230
6
65
320
18
875
230
6
65
320
18
875
230
5
65
320
18
875
230
5
65
320
18
筒
部
尺
寸
DN
H
J
H1
114
115
42
95
114
115
42
95
114
115
42
95
150
140
47
115
150
140
47
115
150
140
47
115
186
165
52
140
186
165
52
140
186
165
52
140
219
200
85
200
219
200
85
200
219
200
85
200
245
240
95
240
245
240
95
240
245
240
95
240
325
280
105
280
325
280
105
280
325
280
105
280
325
280
105
280
325
280
105
280
L
G
P
T
C
545
100
93
357
186
670
100
96
482
186
790
100
93
607
186
680
115
105
460
220
805
115
105
585
220
930
115
105
710
220
740
140
120
500
270
890
140
120
650
270
1040
140
120
800
270
870
175
170
565
308
995
175
170
690
308
1145
175
170
840
308
920
205
190
570
340
1070
205
190
720
340
1245
205
190
895
340
1000
220
210
590
406
1125
220
210
715
406
1300
220
210
890
406
1300
220
210
890
406
1547
220
210
890
406
法兰尺寸
椭圆法兰
圆形法兰
法兰连接
油
d1
D1
B1
D3
d3
25
90
64
65
11
25
90
64
65
11
25
90
64
65
11
32
100
72
75
11
32
100
72
75
11
32
100
72
75
11
40
118
85
90
14
40
118
85
90
14
40
118
85
90
14
50
160
/
125
18
50
160
/
125
18
50
160
/
125
18
65
180
/
145
18
65
180
/
145
18
65
180
/
145
18
80
195
/
160
8×Φ18
80
195
/
160
8×Φ18
80
195
/
160
8×Φ18
80
195
/
160
8×Φ18
80
195
/
160
8×Φ18
水
d2
D2
B2
D4
d4
20
80
45
55
11
20
80
45
55
11
20
80
45
55
11
25
90
64
65
11
25
90
64
65
11
25
90
64
65
11
32
100
72
75
11
32
100
72
75
11
32
100
72
75
11
40
145
/
110
18
40
145
/
110
18
40
145
/
110
18
50
160
/
125
18
50
160
/
125
18
50
160
/
125
18
65
180
/
145
18
65
180
/
145
18
65
180
/
145
18
65
180
/
145
18
65
180
/
145
18
重量
kg
30
33
36
47
51
54
60
70
76
110
119
130
145
161
176
215
231
250
260
270
>> 下一页
 
网站首页 公司简介 产品展示 产品目录 企业动态 联系方式
电话:0513-83325673 传真:0513-83119878  手机:13862978163       
地址:江苏省启东市汇龙镇中央河中路691号 邮编:226200  E-mail:13862978163@126.com 
版权所有:南通沃尔驰石化工程有限公司