• 网站首页
  • 公司简介
  • 产品展示
  • 产品目录
  • 企业动态
  • 联系我们
  • 电子邮局

产品展示

  • 电动润滑泵
  • 手(脚)动润滑泵
  • 加油泵
  • 双线分配器
  • 单线分配器
  • 换向阀、操纵阀及其附件
  • 稀油润滑装置及稀油站
  • 稀油润滑元件
  • 管件部分
  • 油气润滑元件

联系方式

电话:0513-83325673 传真:0513-83119878 手机:13862978163 地址:江苏省启东市汇龙镇中央河中路691号E-mail:13862978163@126.com
 
PF-200型干油喷射阀(10MPa)

一、使用条件
适用于冶金、矿山、水泥、化工、造纸等行业的大型开式齿轮(如球磨机、回转窑、挖掘机、高炉布料器等)以及钢丝绳,链条的润滑。它具有将润滑剂超越一定的空间,定向、定量且均匀地喷射到摩擦表面的特点。

二、技术参数

型 号
公称压力
MPa
喷 射
距 离
mm
喷 射
直 径
mm
最少油量
ml
最低压力
MPa
空 气
压 力
MPa
空 气
耗 量L/min
重量
kg
PF-200
10
200
120
1.5
1.5
0.5
380
0.7

使用介质为锥入度265~385(25℃,150g)1/10mm的润滑脂(NLGI0#-1#)或粘度等级大于N120的工业润滑油。

   
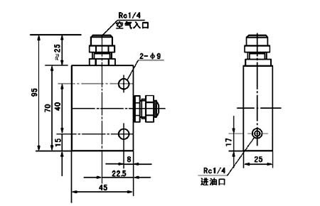
三、外形尺寸
 
 

四、使用说明

1、使用的润滑脂必须经过过滤,质地均匀,并在规定的锥入度和粘度等级范围内使用。
2、进气管路中必须设置气动三大件,保证空气洁净,干燥、衡压。
3、输剂管内不许进入空气,以免影响喷雾。

   
网站首页 公司简介 产品展示 产品目录 企业动态 联系方式
电话:0513-83325673 传真:0513-83119878  手机:13862978163       
地址:江苏省启东市汇龙镇中央河中路691号 邮编:226200  E-mail:13862978163@126.com 
版权所有:南通沃尔驰石化工程有限公司