• 网站首页
  • 公司简介
  • 产品展示
  • 产品目录
  • 企业动态
  • 联系我们
  • 电子邮局

产品展示

  • 电动润滑泵
  • 手(脚)动润滑泵
  • 加油泵
  • 双线分配器
  • 单线分配器
  • 换向阀、操纵阀及其附件
  • 稀油润滑装置及稀油站
  • 稀油润滑元件
  • 管件部分
  • 油气润滑元件

联系方式

电话:0513-83325673 传真:0513-83119878 手机:13862978163 地址:江苏省启东市汇龙镇中央河中路691号E-mail:13862978163@126.com
 
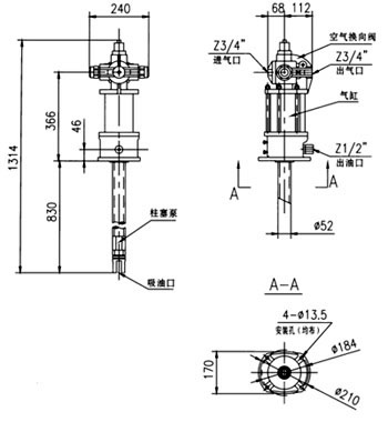
7786型气动润滑泵(45MPa、35MPa)

一、应用范围
适用于润滑频率高,润滑点密集的干油集中润滑系统和集中充填补脂系统中,作为供送润滑剂的增压设备。特别适用于气源充足,有防爆要求不宜采用电动润滑泵的场所。该泵输出压力高、流量大,动作平稳,系统管线内不需配接溢流安全阀仍可实现长距离输送。

二、技术参数

型号
公称压力MPa
给油量mL/循环
进气压力Mpa
压力比
重量kg
7786-A5
45
17
0.5-0.7
65:1
30
7786-B5
35
22
50:1

适用介质为针入度265~385(25℃,150g)1/10mm的润滑脂(NLGI0#~2#)和粘度等级大于N68的润滑油;适用环境温度-20℃~80℃。

   

三、使用要领
1、本泵应安装在专用桶盖上(200L桶盖本公司另有供货),将泵管垂直插入200L的油桶内。
2、进气管路上必须配接气源处理三联件。
3、使用2#油脂或高稠度润滑油时,油桶内必须配用压油板(本公司另有供货)。
4、建议供气量调定在泵工作频率在40~50次/min范围内为宜,严禁超过60次/min使用,以免损坏内部运动件。
5、排气口配接消气器(用户自备,接口Z3/4)。

四、订货说明
根据用户使用工况特殊需要,还可进行泵管长度加长或缩短以及吸油口采用法兰连接的非标设计供货,请在订货时另行注明。


五、外形尺寸


  
网站首页 公司简介 产品展示 产品目录 企业动态 联系方式
电话:0513-83325673 传真:0513-83119878  手机:13862978163       
地址:江苏省启东市汇龙镇中央河中路691号 邮编:226200  E-mail:13862978163@126.com 
版权所有:南通沃尔驰石化工程有限公司